Pipe Flange
A pipe flange is a protruding rim or collar used to connect two pipes or a pipe with a fitting or equipment component. It serves multiple functions in piping systems, including providing a secure connection, facilitating the dismantling of the system, and allowing easy access for inspection or modifications.
With years of experience and a commitment to excellence, we offer a wide range of flange options to suit various applications and meet the highest industry standards. Contact us to explore our product range.
Get A Free Quote Now
Blind Flange For Sale
Blind flanges are to seal off the end of a pipeline or vessel, effectively blocking the flow of fluid or gas. This provides a solid barrier and prevents leakage, ensuring the integrity and safety of the overall system. Blind flanges are commonly used during system maintenance, shutdowns, or when there is a need to isolate a specific section of the pipeline.
Shenghe blind flanges ensure the integrity and safety of pipelines. With advantages such as enhanced safety, versatility, ease of installation, and maintenance benefits, they are an excellent choice for various industrial applications.
Quote today for your customized projects at a competitive price!
Lap Joint Flange For Sale
The primary function of lap joint flanges is to allow easy alignment and assembly of pipelines. They are particularly useful in situations where frequent disassembly and reassembly of the piping system are required. This type of flange allows the pipe to slide through the flange, which simplifies the installation and maintenance process.
Shenghe lap joint flange provides high flexibility. Due to the unique design, our lap joint flanges provide rotational adjustability, which enables easy alignment of bolt holes during installation. It is especially beneficial in applications where there might be thermal expansion or vibration, as it allows the pipe to move independently of the flange.
Contact us for our extensive range of lap joint flange sizes and materials available to suit your specific requirements.
Long Welding Neck Flange For Sale
A long welding neck flange is a specific type of flange commonly used in piping systems that require a strong and secure connection. The primary function of a long welding neck flange is to connect two pipes or fittings together. It acts as a connecting point, creating a seal between the piping components and ensuring the integrity of the system.
Shenghe long welding neck flange has excellent strength and resilience. The extended neck of the flange adds extra stability and reduces stress concentration, making it ideal for piping systems that undergo significant pressure or temperature fluctuations.
This type of Shenghe flange is specifically designed for high-pressure and high-temperature applications, where a durable and reliable connection is essential. If you are in need of a long welding neck flange for your piping system, we at Shenghe offer a comprehensive selection of high-quality flanges to meet your specific requirements.
Orifice Flange For Sale
An orifice flange is designed to hold an orifice plate in place, which creates a restriction in the flow path of the fluid. This restriction leads to a pressure drop across the orifice plate, allowing for precise measurement of the fluid flow rate.
Shenghe orifice flanges provide a reliable and accurate means of measuring fluid flow in a piping system. The orifice plate installed within the flange has a precisely machined hole and is positioned in such a way that it creates a differential pressure across the plate as the fluid passes through it. This pressure difference can be measured and used to calculate the flow rate using established flow equations.
Reach out to us to learn more about our orifice flange solutions.
Plate Flange For Sale
Plate flanges are a versatile and essential component used in various industries for connecting pipes or valves to different types of equipment. These flanges are flat circular disks with evenly spaced bolt holes around the perimeter.
Shenghe plate flanges provide excellent strength and stability, ensuring a reliable and secure connection. The flat surface provides increased stability and distributes forces evenly, reducing the risk of leakage. They are commonly used to create a termination point, enabling easy access and maintenance of the piping system.
We provide customized solutions, competitive pricing, and prompt delivery to meet your project deadlines. Get a free quote now.
Slip on Flange For Sale
Slip-on flange is a versatile component that provides a secure connection between pipes or equipment, ensuring efficient and reliable flow in various applications.
Shenghe slip on flange significantly reduces installation time and effort due to their slip-on design, eliminating the need for welding or complex pipe preparation. This not only saves labor costs but also minimizes downtime during installation or repairs, ensuring increased productivity. They are commonly used in low-pressure and non-critical applications where easy and frequent disassembly is required for inspection and maintenance.
Contact us today to discuss your requirements and explore our wide selection of slip-on fittings!
Socket Weld Flange For Sale
Socket weld flanges are an essential component of piping systems, ensuring a secure and leak-free connection between pipes or valves. They are specifically designed for small-diameter piping applications
Shenghe socket weld flanges provide a smooth bore and offer excellent flow performance, making them ideal for high-pressure and high-temperature applications. Contact us to discuss your specific requirements.
Spectacle Blind Flange For Sale
A spectacle blind flange, also known as a figure-8 blind flange, is a specialized type of flange that serves a crucial function in piping systems. It is specifically designed to isolate sections of a pipeline, providing a positive and visible indication of the line’s status. By inserting the solid disc into the flange, it creates a physical barrier to prevent flow, making it an ideal choice for maintenance, repairs, or when there is a need to change process flow.
The presence of the Shenghe spectacle blind flange ensures the safety of personnel working on the pipeline. Its highly visible design provides clear visual indication and prevents accidental opening, reducing the risk of injury or damage to the system.
Let us help you find the perfect spectacle blind flange solution for your piping system needs.
Threaded Flange For Sale
Threaded flanges are designed to connect pipes with threaded ends. The primary function of a threaded flange is to facilitate easy assembly and disassembly of pipes, making it an ideal choice for applications that require frequent maintenance or repair. These flanges eliminate the need for welding, offering convenience and flexibility in installation.
Our threaded flanges offer excellent sealing capabilities, ensuring a tight and secure connection. The threaded portion of the flange allows for easy, precise tightening with a wrench, ensuring a reliable seal that minimizes the risk of leakage.
Don’t miss out on the opportunity to enhance your piping system with our high-quality threaded flanges.
Flange Specifications
| Standard | Type | Class | Size |
| ASME B16.5 | WN/LWN/SO/Blind/Lap Joint | 150#-2500# | 1/2″-24″(Except Blind Flange 2500lb 1/2″-12″) |
| DIN2543 | SO flange | PN16 | DN10-DN1000 |
| DIN2544 | SO flange | PN25 | DN10-DN1000 |
| DIN2545 | SO flange | PN40 | DN10-DN500 |
| Sealing Surface | RF FF RTJ TF GF LF LM | ||
| Flange Face Finish | Stock Finish/Spiral Serrated/Concentric Serrated/Smooth Finish(Ra 3.2 and 6.3 micrometers) | ||
| 125-250 AARH(it is called smooth finish) | |||
| 250-500 AARH(it is called stock finish) | |||
| Coating | Vanish, yellow paint, anti-rust oil, galvanizing etc | ||
Flange Material Grades
| Nickel Alloy | ASTM / ASME B/SB 564 UNS N02200 (NICKEL 200), UNS N04400 (MONEL 400), UNS N08825 INCOLOY (825), UNS N06600 (INCONEL 600), UNS 6601 (INCONEL 601), UNS N06625 (INCONEL 625), UNS N010276 ( HASTELLOY C 276), ASTM / ASME B/SB 160 UNS N02201 (NICKEL 201) ASTM / ASME B/SB 472 UNS N08020 ( ALLOY20 / 20CB3) |
| Stainless Steel | ASTM / ASME A/SA 182 F 304, 304L, 304H, 309H, 310H, 316, 316H, 316L, 316 LN, 317, 317L, 321, 321H, 347, 347 H. |
| Duplex and Super Duplex | ASTM / ASME A/SA 182 F44, F45, F51, F53, F55, F60, F61. |
Flange Advantages
Leakage Prevention
Shenghe flanges provide a secure and reliable method for connecting pipes and components together. The design ensures a tight seal, preventing leakages and maintaining the integrity of the system.
High Flexibility
Allow for easy modification or expansion of the system by adding or removing sections without the need for extensive rework. Beneficial for industries with evolving needs or those undergoing expansion.
Enhanced System Safety
Contributes to system safety by facilitating proper alignment and support of pipes. This helps to prevent issues such as misalignment, distortion, and excessive stress, which can lead to costly repairs or accidents.
Flange Price
Customer Testimonials
“I recently purchased pipe flanges from Shenghe, and I am extremely satisfied with the product quality and service I received. The flanges were precisely manufactured, and the dimensions were spot-on, ensuring a perfect fit for my project.”

John Maram Dickson
Italy
“I have been using Shenghe’s pipe flanges for several years now. The quality of their flanges is outstanding, with excellent precision and durability. I work in a demanding industrial environment, and the Shenghe flanges have always withstood heavy loads, high pressures, and extreme temperatures without any issues.”

Deogratius Nusurupia
Germany
Flange Dimensions
Blind Flanges & Stud Bolts ASME B16.5:

| OTHER DIA | NPS 1/2 | ||||||
| Class | 150 | 300 | 600 | 900 | 1500 | 2500 | |
| DIA D | 90 | 95 | 95 | 120 | 120 | 135 | |
| B | 11.2 | 14.3 | 20.7 | 28.7 | 28.7 | 36.6 | |
| DIA G | 35.1 | 35.1 | 35.1 | 35.1 | 35.1 | 35.1 | |
| DIA K | 60.3 | 66.7 | 66.7 | 82.6 | 82.6 | 88.9 | |
| NO. L | 4 | 4 | 4 | 4 | 4 | 4 | |
| DIA L | 15.9 | 15.9 | 15.9 | 22.2 | 22.2 | 22.2 | |
| Stud Bolts Diameter x Length | |||||||
| DIA (in) | 1/2 | 1/2 | 1/2 | 3/4 | 3/4 | 3/4 | |
| Length (mm) | 55 | 65 | 75 | 110 | 110 | 120 | |
Notes:
Dimensions are in millimeters unless otherwise indicated.
The length of the Stud Bolt does not include the height of the chamfers (points).
Lap Joint Flanges & Stud Bolts ASME B16.5:

| OTHER DIA | NPS 1/2 ID=22.9 r=3 | ||||||
| Class | 150 | 300 | 600 | 900 | 1500 | 2500 | |
| DIA A | 30 | 38 | 38 | 38 | 38 | 43 | |
| DIA D | 90 | 95 | 95 | 120 | 120 | 135 | |
| THK B | 11.2 | 14.3 | 14.3 | 22.3 | 22.3 | 30.2 | |
| DIA K | 60.3 | 66.7 | 66.7 | 82.6 | 82.6 | 88.9 | |
| H | 16 | 22 | 22 | 32 | 32 | 40 | |
| NO. L | 4 | 4 | 4 | 4 | 4 | 4 | |
| DIA L | 15.9 | 15.9 | 15.9 | 22.2 | 22.2 | 22.2 | |
| Stud Bolts Diameter x Length | |||||||
| DIA (in) | 1/2 | 1/2 | 1/2 | 3/4 | 3/4 | 3/4 | |
| Length (mm) | 55 | 65 | 75 | 110 | 110 | 120 | |
Notes:
Dimensions are in millimeters unless otherwise indicated.
The length of the Stud Bolt does not include the height of the chamfers (points).
Orifice Weld Neck RF flanges ASME B16.36 Class 300:

| NPS | HUBDIA | DIARF | OUTSIDEDIA | MINTHKFLG | HGTFLG | HUBDIA | DIA OFTAB |
| A | R | O | T | H | X | Tg | |
| 1 | 33.4 | 50.8 | 125 | 36.6 | 81 | 54 | 6.4 |
| 1.1/2 | 48.3 | 73.0 | 155 | 36.6 | 84 | 70 | 6.4 |
| 2 | 60.3 | 92.1 | 165 | 36.6 | 84 | 84 | 6.4 |
| 2.1/2 | 73.0 | 104.8 | 190 | 36.6 | 87 | 100 | 6.4 |
| 3 | 88.9 | 127.0 | 210 | 36.6 | 87 | 117 | 9.5 |
| 4 | 114.3 | 157.2 | 255 | 36.6 | 90 | 146 | 12.7 |
| 6 | 168.3 | 215.9 | 320 | 36.6 | 98 | 206 | 12.7 |
| 8 | 219.1 | 269.9 | 380 | 39.7 | 110 | 260 | 12.7 |
| 10 | 273.0 | 323.8 | 445 | 46.1 | 116 | 321 | 12.7 |
| 12 | 323.8 | 381.0 | 520 | 49.3 | 129 | 375 | 12.7 |
| 14 | 355.6 | 412.8 | 585 | 52.4 | 141 | 425 | 12.7 |
| 16 | 406.4 | 469.9 | 650 | 55.6 | 144 | 483 | 12.7 |
| 18 | 457.0 | 533.4 | 710 | 58.8 | 157 | 533 | 12.7 |
| 20 | 508.0 | 584.2 | 775 | 62.0 | 160 | 587 | 12.7 |
| 24 | 610.0 | 692.2 | 915 | 68.3 | 167 | 702 | 12.7 |
| NPS | BOLTCIRCLE | NO OFBOLTS | DIA OFHOLES | DIASTUDBOLTS | STUDBOLTLENGTH |
| 1 | 88.9 | 4 | 11/16 | 5/8 | 125 |
| 1.1/2 | 114.3 | 4 | 13/16 | 3/4 | 135 |
| 2 | 127.0 | 8 | 11/16 | 5/8 | 125 |
| 2.1/2 | 149.2 | 8 | 13/16 | 3/4 | 135 |
| 3 | 168.3 | 8 | 13/16 | 3/4 | 135 |
| 4 | 200.0 | 8 | 13/16 | 3/4 | 135 |
| 6 | 269.9 | 12 | 7/8 | 3/4 | 135 |
| 8 | 330.2 | 12 | 1 | 7/8 | 145 |
| 10 | 387.4 | 16 | 1.1/8 | 1 | 165 |
| 12 | 450.8 | 16 | 1.1/4 | 1.1/8 | 180 |
| 14 | 514.4 | 20 | 1.1/4 | 1.1/8 | 185 |
| 16 | 571.5 | 20 | 1.3/8 | 1.1/4 | 195 |
| 18 | 628.6 | 24 | 1.3/8 | 1.1/4 | 205 |
| 20 | 685.8 | 24 | 1.3/8 | 1.1/4 | 215 |
| 24 | 812.8 | 24 | 1.5/8 | 1.1/2 | 240 |
Notes:
Dimensions are in millimeters, except for bolts and bolt holes.
Height of Raised Face (RF) in CLASS 300 is 2 mm.
All other dimensions are in accordance with ASME B16.5.
Ring joint flanges larger than NPS 3 will require angular meter taps.
Other NPT sizes may be furnished if required.
Bolt lengths for raised face flanges include allowance for orifice and gasket thickness of 6 mm (0.25 in.) for NPS 1 to NPS 12. Bolt lengths for ring-type joint flanges include allowance of 15 mm (0.62 in.) for NPS 1 to NPS 3.
Bore (B) is to be specified by the purchaser.
The length of the Stud Bolt does not include the height of the chamfers (points).
Slip on Flanges & Stud Bolts ASME B16.5:

| OTHER DIA | NPS 1/2 ID 22.3 | ||||||
| Class | 150 | 300 | 600 | 900 | 1500 | 2500 | |
| DIA A | 30 | 38 | 38 | 38 | 38 | … | |
| DIA D | 90 | 95 | 95 | 120 | 120 | … | |
| THK B | 11.2 | 14.3 | 20.7 | 28.7 | 28.7 | … | |
| DIA G | 35.1 | 35.1 | 35.1 | 35.1 | 35.1 | … | |
| DIA K | 60.3 | 66.7 | 66.7 | 82.6 | 82.6 | … | |
| H | 15.6 | 22.6 | 28.4 | 38.4 | 38.4 | … | |
| NO. L | 4 | 4 | 4 | 4 | 4 | … | |
| DIA L | 15.9 | 15.9 | 15.9 | 22.2 | 22.2 | … | |
| Stud Bolts Diameter x Length | |||||||
| DIA (in) | 1/2 | 1/2 | 1/2 | 3/4 | 3/4 | … | |
| Length (mm) | 55 | 65 | 75 | 110 | 110 | … | |
Notes:
Dimensions are in millimeters unless otherwise indicated.
The length of the Stud Bolt does not include the height of the chamfers (points).
Socket Weld Flanges & Stud Bolts ASME B16.5:

| OTHER DIA | NPS 1/2 ID=22.3 F=9.5 | ||||||
| Class | 150 | 300 | 600 | 900 | 1500 | 2500 | |
| DIA A | 30 | 38 | 38 | … | 38 | … | |
| DIA D | 90 | 95 | 95 | … | 120 | … | |
| THK B | 11.2 | 14.3 | 20.7 | … | 28.7 | … | |
| DIA G | 35.1 | 35.1 | 35.1 | … | 35.1 | … | |
| DIA K | 60.3 | 66.7 | 66.7 | … | 82.6 | … | |
| H | 15.6 | 22.6 | 28.4 | … | 38.4 | … | |
| NO. L | 4 | 4 | 4 | … | 4 | … | |
| DIA L | 15.9 | 15.9 | 15.9 | … | 22.2 | … | |
| Stud Bolts Diameter x Length | |||||||
| DIA (in) | 1/2 | 1/2 | 1/2 | … | 3/4 | … | |
| Length (mm) | 55 | 65 | 75 | … | 110 | … | |
Notes:
Dimensions are in millimeters unless otherwise indicated.
The length of the Stud Bolt does not include the height of the chamfers (points).
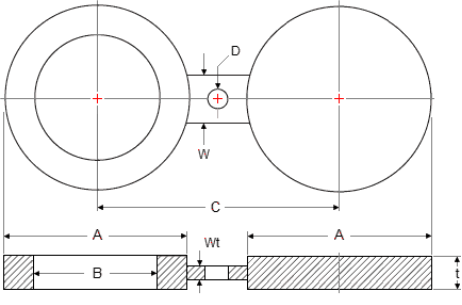
Spectacle Blinds ASME B16.48:

Pressure Class 150:
| NPS | Outside ØA | Inside ØB | Center LineC | THKt | Web WidthW |
| 1/2 | 45 | 16 | 60 | 3 | 38 |
| 3/4 | 54 | 21 | 70 | 3 | 38 |
| 1 | 64 | 27 | 80 | 3 | 38 |
| 1.1/4 | 73 | 42 | 90 | 6.4 | 38 |
| 1.1/2 | 83 | 48 | 100 | 6.4 | 38 |
| 2 | 102 | 61 | 120 | 6.4 | 51 |
| 2.1/2 | 107 | 73 | 140 | 6.4 | 51 |
| 3 | 133 | 89 | 150 | 6.4 | 64 |
| 3.1/2 | 159 | 102 | 175 | 9.7 | 64 |
| 4 | 172 | 114 | 190 | 9.7 | 64 |
| 5 | 194 | 141 | 215 | 9.7 | 76 |
| 6 | 219 | 168 | 240 | 12.7 | 76 |
| 8 | 276 | 219 | 300 | 12.7 | 76 |
| 10 | 337 | 273 | 360 | 15.7 | 102 |
| 12 | 406 | 324 | 430 | 19.1 | 102 |
| 14 | 448 | 356 | 475 | 19.1 | 108 |
| 16 | 511 | 406 | 460 | 22.4 | 108 |
| 18 | 546 | 457 | 580 | 25.4 | 114 |
| 20 | 603 | 508 | 635 | 28.4 | 121 |
| 24 | 714 | 610 | 750 | 31.8 | 140 |
Pressure Class 300
| NPS | Outside ØA | Inside ØB | Center LineC | THKt | Web WidthW |
| 1/2 | 51 | 16 | 65 | 6.4 | 38 |
| 3/4 | 64 | 21 | 80 | 6.4 | 38 |
| 1 | 70 | 27 | 90 | 6.4 | 38 |
| 1.1/4 | 79 | 42 | 100 | 6.4 | 38 |
| 1.1/2 | 92 | 48 | 115 | 6.4 | 38 |
| 2 | 108 | 61 | 125 | 9.7 | 51 |
| 2.1/2 | 127 | 73 | 150 | 9.7 | 51 |
| 3 | 146 | 89 | 170 | 9.7 | 64 |
| 3.1/2 | 162 | 102 | 185 | 12.7 | 64 |
| 4 | 178 | 114 | 200 | 12.7 | 64 |
| 5 | 213 | 141 | 235 | 15.7 | 76 |
| 6 | 248 | 168 | 270 | 15.7 | 76 |
| 8 | 305 | 219 | 330 | 22.4 | 76 |
| 10 | 359 | 273 | 385 | 25.4 | 102 |
| 12 | 419 | 324 | 450 | 28.4 | 102 |
| 14 | 483 | 356 | 515 | 31.8 | 108 |
| 16 | 536 | 406 | 570 | 38.1 | 108 |
| 18 | 594 | 457 | 630 | 41.1 | 114 |
| 20 | 651 | 508 | 685 | 44.5 | 121 |
| 24 | 772 | 610 | 810 | 50.8 | 140 |
Pressure Class 600
| NPS | Outside ØA | Inside ØB | Center LineC | THKt | Web WidthW |
| 1/2 | 51 | 16 | 65 | 6.4 | 38 |
| 3/4 | 64 | 21 | 80 | 6.4 | 38 |
| 1 | 70 | 27 | 90 | 6.4 | 57 |
| 1.1/4 | 79 | 37 | 100 | 9.7 | 57 |
| 1.1/2 | 92 | 43 | 115 | 9.7 | 67 |
| 2 | 108 | 55 | 125 | 9.7 | 57 |
| 2.1/2 | 127 | 67 | 150 | 12.7 | 67 |
| 3 | 146 | 83 | 170 | 12.7 | 67 |
| 3.1/2 | 159 | 96 | 185 | 15.7 | 76 |
| 4 | 191 | 108 | 215 | 15.7 | 76 |
| 5 | 238 | 135 | 265 | 19.1 | 86 |
| 6 | 264 | 162 | 290 | 22.4 | 86 |
| 8 | 318 | 212 | 350 | 28.4 | 95 |
| 10 | 397 | 265 | 430 | 35.1 | 105 |
| 12 | 454 | 315 | 490 | 41.1 | 105 |
| 14 | 489 | 346 | 525 | 44.5 | 114 |
| 16 | 562 | 397 | 605 | 50.8 | 124 |
| 18 | 610 | 448 | 655 | 53.8 | 133 |
| 20 | 679 | 497 | 725 | 63.5 | 133 |
| 24 | 787 | 597 | 840 | 73.2 | 152 |
Pressure Class 900
| NPS | Outside ØA | Inside ØB | Center LineC | THKt | Web WidthW |
| 1/2 | 60 | 16 | 80 | 6.4 | 38 |
| 3/4 | 67 | 21 | 90 | 6.4 | 41 |
| 1 | 76 | 27 | 100 | 6.4 | 57 |
| 1.1/4 | 86 | 37 | 110 | 9.7 | 57 |
| 1.1/2 | 95 | 43 | 125 | 9.7 | 67 |
| 2 | 140 | 55 | 165 | 12.7 | 57 |
| 2.1/2 | 162 | 67 | 190 | 12.7 | 67 |
| 3 | 165 | 83 | 190 | 15.7 | 67 |
| 4 | 203 | 108 | 235 | 19.1 | 76 |
| 5 | 244 | 135 | 280 | 22.4 | 86 |
| 6 | 286 | 162 | 320 | 25.4 | 86 |
| 8 | 356 | 212 | 395 | 35.1 | 95 |
| 10 | 432 | 265 | 470 | 41.1 | 105 |
| 12 | 495 | 315 | 535 | 47.8 | 105 |
| 14 | 518 | 346 | 560 | 53.8 | 114 |
| 16 | 572 | 397 | 615 | 60.5 | 124 |
| 18 | 635 | 448 | 685 | 66.5 | 133 |
| 20 | 696 | 497 | 750 | 73.2 | 133 |
| 24 | 835 | 597 | 900 | 88.9 | 152 |
Pressure Class 1500
| NPS | Outside ØA | Inside ØB | Center LineC | THKt | Web WidthW |
| 1/2 | 61 | 16 | 80 | 6.4 | 38 |
| 3/4 | 67 | 21 | 90 | 9.7 | 41 |
| 1 | 76 | 27 | 100 | 9.7 | 64 |
| 1.1/4 | 86 | 35 | 110 | 9.7 | 64 |
| 1.1/2 | 95 | 41 | 125 | 12.7 | 70 |
| 2 | 140 | 53 | 165 | 12.7 | 70 |
| 2.1/2 | 162 | 63 | 190 | 15.7 | 76 |
| 3 | 172 | 78 | 205 | 19.1 | 76 |
| 4 | 206 | 102 | 240 | 22.4 | 89 |
| 5 | 251 | 128 | 290 | 28.4 | 89 |
| 6 | 279 | 154 | 320 | 35.1 | 89 |
| 8 | 349 | 203 | 395 | 41.1 | 102 |
| 10 | 432 | 255 | 480 | 50.8 | 114 |
| 12 | 518 | 303 | 570 | 60.5 | 114 |
| 14 | 575 | 333 | 635 | 66.5 | 127 |
| 16 | 638 | 381 | 705 | 76.2 | 133 |
| 18 | 702 | 429 | 775 | 85.9 | 146 |
| 20 | 752 | 478 | 830 | 95.3 | 152 |
| 24 | 899 | 575 | 990 | 111.3 | 178 |
Notes:
Dimensions are in millimeters unless otherwise indicated.
D = Hole size (where required) should be the same as the flange bolt hole. In practice, these dimensions have been rounded round off upwards.
W = Thickness of the web (or tie bar) should be 6 mm minimum, or equal to Thickness (t) if less than 6 mm.
Spectacle Blinds should be made from a plate or forging specification, approved for use by ASME B31.3, of essentially the same chemical composition as the mating flanges and piping involved.
Spectacle Blinds ASME B16.48 may be used for installation between ASME B16.5 flanges.
Depending on a customer specification, some dimensions can be different from what on this page is defined.
Threaded Flanges & Stud Bolts ASME B16.5:

| OTHER DIA | NPS 1/2 | ||||||
| Class | 150 | 300 | 600 | 900 | 1500 | 2500 | |
| DIA A | 30 | 38 | 38 | 38 | 38 | 43 | |
| DIA D | 90 | 95 | 95 | 120 | 120 | 135 | |
| THK B | 11.2 | 14.3 | 20.7 | 28.7 | 28.7 | 36.6 | |
| DIA G | 35.1 | 35.1 | 35.1 | 35.1 | 35.1 | 35.1 | |
| DIA K | 60.3 | 66.7 | 66.7 | 82.6 | 82.6 | 88.9 | |
| H | 15.6 | 22.6 | 28.4 | 38.4 | 38.4 | 46.4 | |
| NO. L | 4 | 4 | 4 | 4 | 4 | 4 | |
| DIA L | 15.9 | 15.9 | 15.9 | 22.2 | 22.2 | 22.2 | |
| Stud Bolts Diameter x Length | |||||||
| DIA (in) | 1/2 | 1/2 | 1/2 | 3/4 | 3/4 | 3/4 | |
| Length (mm) | 55 | 65 | 75 | 110 | 110 | 120 | |
Notes:
Dimensions are in millimeters unless otherwise indicated.
The length of the Stud Bolt does not include the height of the chamfers (points).
Weld Neck Flanges & Stud Bolts ASME B16.5:

| OTHER DIA | NPS 1/2 – O.D. 21.3 | ||||||
| Class | 150 | 300 | 600 | 900 | 1500 | 2500 | |
| DIA A | 30 | 38 | 38 | 38 | 38 | 43 | |
| DIA D | 90 | 95 | 95 | 120 | 120 | 135 | |
| THK B | 11.2 | 14.3 | 20.7 | 28.7 | 28.7 | 36.6 | |
| DIA G | 35.1 | 35.1 | 35.1 | 35.1 | 35.1 | 35.1 | |
| DIA K | 60.3 | 66.7 | 66.7 | 82.6 | 82.6 | 88.9 | |
| H | 47.6 | 52.6 | 58.4 | 66.4 | 66.4 | 79.4 | |
| NO. L | 4 | 4 | 4 | 4 | 4 | 4 | |
| DIA L | 15.9 | 15.9 | 15.9 | 22.2 | 22.2 | 22.2 | |
| Stud Bolts Diameter x Length | |||||||
| DIA (in) | 1/2 | 1/2 | 1/2 | 3/4 | 3/4 | 3/4 | |
| Length (mm) | 55 | 65 | 75 | 110 | 110 | 120 | |
Notes:
Dimensions are in millimeters unless otherwise indicated.
The length of the Stud Bolt does not include the height of the chamfers (points).
Shenghe Flange Production Process

Shenghe is a leading piping product manufacturer in China that excels in producing high-quality pipe flanges. The production process at Shenghe is designed to prioritize quality and precision at every stage, ensuring the reliability and performance of the flanges produced. We utilize advanced manufacturing technologies and adhere to strict quality control measures to guarantee the exceptional quality of our products.
In the production of high-quality pipe flanges, Shenghe initiates the process with meticulous material selection. High-grade raw materials, such as stainless steel, duplex steel, or other specific alloys, are carefully chosen to meet the required specifications. The company places a strong emphasis on the quality and integrity of the raw materials, as they form the foundation for durable and reliable flange products.
Furthermore, Shenghe places great importance on adherence to international standards and certifications. We comply with industry standards such as ASME, ANSI, ASTM, and DIN, ensuring that our flange products meet the stringent requirements for performance, safety, and reliability. Trust in Shenghe for your flange needs and unlock the assurance of top-tier quality and precision.
Get Your Free Quote Now.
Always Provides Customized Plan at Best Price
When you choose Shenghe, you’re guaranteed more than just off-the-shelf products. We believe in the power of customization, and our highly skilled engineers work closely with our clients to understand your project specifications, budget constraints, and timeline. This collaborative approach allows us to develop comprehensive and personalized plans that address all aspects of the project, from design and material selection to product functionality and installation.
Our dedicated sales team is ready to assist you by providing accurate and personalized quotations that cater to your project’s needs. Simply reach out to us, and our team will be delighted to discuss your requirements and provide you with a competitive quote.


























